• Hallo TT-Modellbahner, schön, dass du zu uns gefunden hast.
    Um alle Funktionen nutzen zu können, empfehlen wir dir, dich anzumelden. Denn vieles, was das Board zu bieten hat, ist ausschließlich angemeldeten Nutzern vorbehalten. Du benötigst nur eine gültige E-Mail-Adresse und schon kannst du dich registrieren.
    Deine Mailadresse wird für nichts Anderes verwendet als zur Kommunikation zwischen uns.
    Die Crew des TT-Boardes

Innenbeleuchtung für Personenwagen

Da muss ich dich leider enttäuschen, es ist TT.

So danke für eure Unterstützung.
Also ich habe mich entschlossen ich werde es mit einem Flip Flop versuchen, da ich noch kein Stromstossrelais gefunden habe welches mit 3V funktioniert. Und mit den Batterien habt ihr schon recht, werde wohl auf jeden fall akkus nehmen, bin mir aber noch nicht sicher wie ich das mit den Laden der Akkus bewerkstellige, aber auch dazu wird mir bzw uns/euch bestimmt noch was passendes einfallen.
Das Projekt wird im Januar 2012 gestartet, jetz kommt Weihnachten, da ist die Zeit immer so knapp:D.
Werde euch über meine Fortschritte informieren und ggf Bilder hochladen
 
Nachtrag:
In dem Fall handelt es sich um die Y-Wagen des Städteexpresses
und den dazu passenden Y-Packwagen Post m
 
Bezüglich bistabiler Relais mit 3V Spannung ist http://www.segor.de eine Quelle ... z.B. das RH-L2 3V für 2,90 EUR (2,38 EUR bei Abnahme von 10 Stck.)

Gruß Baracke
 
So
ich hatte grad mal ein bischen Zeit und habe es mit einer Transistorselbsthaltung probiert.
Meine Ergebnisse waren aber leider nicht so gut, da die LED´s nie ganz aus wahren, da noch eine gewisse Menge Spannung vorhanden ist und sie daurch imer noch, wenn auch dunkler leuchten.
Tendiere also doch auf den Versuch mit einem Relais
 
Hallo zusammen,
ich such jetzt im Board schon eine ganze Weile, leider aber ohne richtigen Treffer...
Darum hier jetzt meine Frage: Wer hat die DBmu von Kuehn schon mit NICHT-Kuehn-Beleuchtungen versehen und kann seine Erfahrungen dazu hier einstellen? Eine Möglichkeit sind wohl die Platinen von MBZ-Weber, in meinen E5-Wagen sind die dazu passenden bereits verbaut. Da schon die analogen MBZ-Platinen für den DBmu allerdings ein ganzes Stück teuerer als die originalen (und leider digitalen) Kuehn-Leisten mit Decoder sind, wollte erst noch mal in die Runde fragen.
 
Hallo Jörg,

schau mal hier.

Ich habe für das Untergeschoß LED Stripes benutzt, dies kann man ja Problemlos für beide Etagen benutzen. Es geht schnell und ist Preiswert.
 
@Mirko, schön, nur leider eben digital und in Kombination mit einem Decoder. Ich suche allerdings eine analoge Beleuchtung für die Dostos.
 
... schön, nur leider eben digital und in Kombination mit einem Decoder

Äh ja, da lass doch einfach den Decoder weg. Statte das "Ober- und Untergeschoss" jeweils mit LED Stripes aus, greife die Spannung von den Radsätzen ab und fertig. mach eventl. noch einen kleinen Schalter in den Wagenboden und dann ist das perfekt. Wo ist da bitte das Problem? Du solltest ja nur anhand der Bilder deine eigenen Gedanken machen, war ja auch nur als Denkanstoß gedacht.
 
Innenbeleuchtungen mit und ohne Decoder

Neben den Angeboten der Fa. Kühn gibt es auch hier :


http://www.esu.eu/produkte/innenbeleuchtungen/


oder hier :


http://www.e-modell.eu


universell einsetzbare Lichtleisten , mit und ohne integrierten

Decoder , Anschlüsse für Stützkondensatoren , Lichtwechsel ,

Helligkeitsregler , sowie teilweise Leuchtstoffröhren - Simulationen ,

beide Produktlinien sind auch im Analogbetrieb voll funktionstüchtig ,

mit einem guten Preis / Leistungsverhältnis ,

anschauen und vergleichen lohnt sich auf jeden Fall .
 
Danke erst mal für die Antworten. Wie wird denn bei Einsatz der (Kuehn-)Decoder-Lichtleisten die konstante Helligkeit (ab z.B. 4V) bei Analogbetrieb erzeugt? Meine Frage zielt also in Richtung Konstantstromquelle o.ä. und Einstellbarkeit der Helligkeit. Das erschließt sich mir z.Z. leider noch nicht so ganz, denn "Gleichstromanalog-Betrieb" kann ja auch einfach nur eine fahrspannungsabhängige Beleuchtung bedeuten. Dazu steht jedenfalls gar nix in der Produktbeschreibung....
 
Guten Abend,

gibt es bei den Lichtleisten von Kühn eigentlich einen Trick, wie die Ihre DIMM-Programierung behalten?
Habe bei CV61 und CV62 jeweils 99, also alle Ausgänge sehr dunkel, eingegeben und wird auch so angenommen. Sobald der Wagen aber vom Gleis genommen wird, oder mal einfach kurz der Kontakt verloren geht, erstrahlen die besagten Wagen wieder in vollem Licht. Nervt gewaltig!

8 Wagen wieder auf machen, den Potentiometer runterdrehen, empfinde ich jetzt auch nicht als beste Lösung.

Edit:
CV#56 bringt die Lösung! Mit Wert 00 erfolgt die Anpassung ausschließlich durch den Potentiometer, mit Wert 01 lassen sich dann auch CV#57 und/oder CV#60-62 festlegen. Trotzdem fragwürdig, weshalb dies zumindest kurzfristig so angenommen wird.


Gruß,
Alex
 
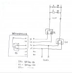
Ich brauche eine Innenbeleuchtungsplatine für einen Wagen in den nix "fertig kaufbares" rein passt.
Schnell gekritzelte "Plänchen" im Anhang...

Voraussetzung:
1. analog + digital mit (speziellem) Brückenstecker möglich
2. NEM651 Buchse für Digitalisierung mit beliebigem Decoder

noch zu erwähnen:
1. Glättungs- oder Pufferkondensatoren mangels Platz nicht möglich (Helligkeit wird sich analog ändern - tangiert mich persönlich aber nicht)
2. Funktion auch bei Decodern deren F0 und F1 sich nicht fahrtrichtungsunabhängig konfigurieren lassen (dafür dient D2)
3. Programierung des Decoders schwierig, da keine Last am Motorausgang - muss ggf. in einer Lok erfolgen.

Gibts dazu noch irgendwas zu bedenken? Elektroniker-Ausbildung ist laaaaaange her :)
 

Anhänge

  • beleuchtung_plan.jpg
    beleuchtung_plan.jpg
    234,6 KB · Aufrufe: 192
D3 auf dem Brückenstecker kannst Du weglassen.
Auf diesem einfach rot nach gelb und schwarz nach weiß durchbrücken, und dann übernimmt D2 den Part der 2. Hälfte der Gleichrichterbrücke.

Programmierung - das schwierige ist doch nur der Quittungsimpuls. Wenn Du dazu eine digitale "Schrabbellok" mit auf's Gleis stellst, macht deren Decoder brav die Quittungsimpulse und Deine Zentrale mault nicht rum.
 
Ditmar, ich weiß nicht, was Du da siehst. Ich glaube, Du hast Dich verguckt.
Der Brückenstecker (und somit D3 in der alten Variante) ist doch im Digitalbetrieb durch den Decoder ersetzt - da passiert nix.
Analog ist doch nur eine Diode in Reihe mehr drin, da passiert dfoch nüscht (außer, daß es auch nix bringt) ...
 
Ich denk auch das ist ein "Guggfehler" das Stück mit D3 ist ja nur der Brückenstecker im Analogbetrieb. Wobei wie schon festgestellt - nicht nötig. Ich werde hier einfach wie von Steffen beschrieben rt zu ge und sw zu ws brücken und fertig.
 
Zurück
Oben