Als bekennender Analogbahner kann ich dir dazu etwas weniger helfen.
In meinem Falle würde ich 2 bistabile Relais mit 2 Impulsantrieb(Weichen) koppeln und zwar in der Art.
Abzweigende Einfahrweiche in die Stumpfgleise - dann werden diese mit Einfahrspannung versorgt.
Ausfahrweiche in Richtung Ausfahrt gestellt und bereit zum Einfädeln in die Stecke, dann werden die Stumpfgleise mit der Ausfahrspannung versorgt.
Ist weder Ein noch Ausfahrt gestellt, dann ist der gesamte Stumpfgleisbereich spannungslos.
Da ja immer nur Ein oder Ausfahrt oder Nichts eingestellt werden darf, Kommt es auch zu keinem Kurzschluss.
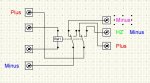
Verwendet man motorische Antriebe, so muß man wieder anders vorgehen. Da diese ja mit Dauerspannung angesteuert werden können um die Endlage zu erreichen, kann man mit dieser Dauerpannung auch je ein monostabiles Relais zum ziehen bringen (Skizze1).
Einfahrt gestellt Relais RE für Einfahrspannung gezogen.
Ausfahrt gestellt Relais RA für Ausfahrspannung gezogen.
Kein Fahrweg gestellt, also die Stumpfgleise sind nicht vom Schaba aus anfahrbar - beide Relais abgefallen - damit ohne Spannung. Vorteilhaft ist, dass das Gleis 1 oder 2 schon eingeschalten und für die Ausfahrt vorbereitet werden kann, die Spannung wird erst mit einstellen des Ausfahrtfahrwegs über RA + AW zugeschalten.
Doppelte Trennung der Gleise ist erforderlich, die Fahrstromrelais sollten mind. 2(3) Schließer (Wechsler) haben.
Trennstelle in den Stumpfgleisen in Einfahrtrichtung rechts einbauen, ggf. vor dem Prellbock noch einen Sicherheitsabschnitt (Bild3), welcher nur bei Ausfahrt über einen weiteren Relaiskontakt von RA mit Spannung versorgt wird. (der SVT nimmt nämlich immer in Fahrtrichtung rechts vorn Spannung ab und meinem Junior sein
ICE3 jetzt auch)
Noch ein Nachtrag zur W1 - die stellt sich immer in die Richtung EW / AW, je nachdem welche von beiden zu den Stumpfgleisen eingestellt ist. Ist EW /AW zum Schaba eingestellt, verharrt W1 in der letzten Position. Wer ganz sicher gehen will fügt vor AW noch eine Schutzweiche in den Dreck ein. Diese mt AW koppeln, EW kann dann direkt mit W1 gekoppelt werden. Das wäre dann absolut sicher.
Zu W2 erübrigt sich eine Erläuterung, die kann aber elektrisch mit den Schaltern von Gleis 1 und Gleis 2 verbunden werden, dann hat das Gleis Spannung, in welches die Weiche 2 zeigt. Auch hier käme bei Impulsantrieben ein BTTB Relais zum Einsatz. Sonst kann man auch 2 monostabile Relais nehmen und den Weichenmotor mit Dauerstrom ansteuern. Ist die entsprechende Endlage erreicht, zieht das Relais und schaltet das Gleis ein.
Bei Digital +/- wegdenken.
Bei Analog +/- tauschen, da +auf der rechten Schiene im Gleis bei Vorwärtsfahrt ist.
In diesem Sinne - rot ist blau und plus ist minus
