• Hallo TT-Modellbahner, schön, dass du zu uns gefunden hast.
    Um alle Funktionen nutzen zu können, empfehlen wir dir, dich anzumelden. Denn vieles, was das Board zu bieten hat, ist ausschließlich angemeldeten Nutzern vorbehalten. Du benötigst nur eine gültige E-Mail-Adresse und schon kannst du dich registrieren.
    Deine Mailadresse wird für nichts Anderes verwendet als zur Kommunikation zwischen uns.
    Die Crew des TT-Boardes

Befehlspufferung von Decodern

Bitte beachten, daß der + vom Decoder an den + der Speicherschaltung gelötet wird. Der + des Decoders darf nicht an den + der Speicherkondensatoren. Also wie in der Anleitung die Lötpads verwenden. Ich habe schon viele Ladeschaltungen von Fischer-Modell verbaut - ohne Decodertod.
 
... schon klar, der Baustein hatte ja auch schon funktioniert.
Mit N25 in der BR56 ... und dann Decodertod - aus welchem Grund auch immer --> Kurzschluss sobald die Lok aufs Gleis kam.
--> neuer Decoder rein, diesmal ein Lenz SILVERmini+ ... und was soll ich sagen - ohne Speicher alles ok, mit dem Anschluss des Speicherbausteins ist auch dieser Decoder gestorben - auch mit dem Endresultat Kurzschluss.

Jetzt würde ich halt gerne mal den Pufferspeicher testen, möchte aber nicht schon wieder eine Decoder opfern bzw. würde gerne lernen, falls dies schon mal bei irgendjemanden vorgekommen ist...

Ciao Torsten
 
Was sagt denn das Messgerät wenn du den Widerstand misst ?
Ich meine an den Anschlüssen vom Speicherbaustein messen.
 
Selbst der direkte Anschluss der Kondensatoren der Fischer-Schaltung ( aber NUR der ) aus Versehen würde den Gleichrichter des Decoders nicht zerstören. da muss schon ein direkter Schluss nach von + nach - her.
 
Woher willst du wissen das der Kondensator keinen Kurzschluss hat ?
 
Es geht in meiner Antwort nur um den Verdacht, dass der Ladestromstoß ( ohne Vorwiderstand ) den Glr. überlastet. Das wäre selbst bei 1000µF nicht der Fall. Natürlich liegt bei Ta-Elkos ein möglicher Kondensatorkurzschluss nahe.
 
... ja das war ja auch mein Verdacht. Evtl. die eingebaute Drossel defekt oder ähnliches. Aber das ist mit Messung per Multimeter schwer heraus zu bekommen. Da muss ich mir noch etwas anderes einfallen lassen.
Die reine Widerstandsmessung ergibt wie zu erwarten (Drossel, Spannungsbegrenzung) kein sinnvolles Ergebnis (denke ich, auch wenn ich die genaue Schaltung nicht habe). Jedenfalls zeigt sie keinen Kurzschluss des Bausteins. Und ein schneller Test mit einer gerade rumliegenden 3,6Volt-Batterie zeigt auch, dass etwas Speichervermögen da ist....
 
Diode auf der Ladeschaltung evtl. Durchgang in beide Richtungen? Die muss beim Aufladen sperren, damit die Aufladung nur über den Widerstand erfolgt. Der Entlade (Puffer) -strom fließt dann über die Durchlassrichtung der Diode.
Um den Puffer zu testen kann man ja ein Lämpchen an die Anschlüsse mit anschließen. und +/- an eine Spannungsquelle anschließen. Das Lämpchen sollte gedämpft erlöschen.
Parallel dazu am Kondensator die Spannung messen um festzustellen, ob er sich über den Widerstand langsam auflädt oder schlagartig weil die Diode einen internen Kurzschluss hat. Hast Du am Decoder den richtigen Anschluss für - Minus (Masse) gefunden. Der ist ja meist nicht separat herausgeführt.
 
Diode auf der Ladeschaltung evtl. Durchgang in beide Richtungen? Die muss beim Aufladen sperren, damit die Aufladung nur über den Widerstand erfolgt. Der Entlade (Puffer) -strom fließt dann über die Durchlassrichtung der Diode.
Um den Puffer zu testen kann man ja ein Lämpchen an die Anschlüsse mit anschließen. und +/- an eine Spannungsquelle anschließen. Das Lämpchen sollte gedämpft erlöschen.
Parallel dazu am Kondensator die Spannung messen um festzustellen, ob er sich über den Widerstand langsam auflädt oder schlagartig weil die Diode einen internen Kurzschluss hat. Hast Du am Decoder den richtigen Anschluss für - Minus (Masse) gefunden. Der ist ja meist nicht separat herausgeführt.

Genau so ist es! Sehr schön erklärt!
Für Alle hoffentlich Verständlich...
 
Um dies so prüfen zu können, muss man aber den Schaltungsaufbau kennen (--> hab ich nicht).
Weiter sollte man wissen, welches Bauteil auf der Platine welches ist (Diode, Z-Diode). Da versagen meine Augen so langsam...
 
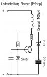
Achso - die Drossel soll nur reinen Gleichstrom durchlassen - sie blockt meines Erachtens das hochfrequente Digitalsignal vor den Kondensatoren ab damit es nicht beeinflusst wird. Das ist besonders beim Programmieren wichtig. (Hier in etwa >Bildmitte< zu sehen und zu lesen) Sonst müsste man den Puffer beim Auslesen ggf. abklemmen.
Man will ja nur Gleichspannung für den Weiterbetrieb des Decoders puffern.
Jawohl - die Stromlaufpläne der Platinen wären ja nicht uninteressant - manch einem würde das mit Sicherheit weiterhelfen. Mit reinem Anschlussplan ist das immer so eine Art Blackbox mit Lötpads. Damit allein kann man die Funktionsweise nicht verstehen.
Bei kleinen Sachen kann man sich den Stromlaufplan vom Layout ableiten, allerdings machen es einem die Vias manchmal auch nicht einfach.
 
Zuletzt bearbeitet:
Warum mache ich eigentlich den Erklärbär welche Funktion die einzelnen Bauelemente haben (könnten)?
Entschuldigung, dass ich was geschrieben habe - sucht Euch doch Eure Stromlaufläne alleine und tragt Decoder zu Grabe....:freude:
Jetzt wäre noch zu klären, ob die Drossel brummt oder trillert. In einer Leuchtstofflampe brummt sie leise....
Weiterführender Link ohne >Drossel<
 
Zuletzt bearbeitet:
Hallo Amazist,
danke für die Erklärungen. Es ist wie Du geschrieben hast, ohne Stromlaufplan bleibt es ein blackbox. Und ich erkenne zumindest eine Drossel, mehrere Widerstände, eine oder zwei Dioden (davon eine Z-Diode?) einen Transistor (o.ä. mit drei Beinen) - und das alles auf einem halben cm². Und da sind meine häuslichen Möglichkeiten einfach zu beschränkt. Aber was solls, ich werde einfach noch mal einen Test machen mit einem Widerstand in Reihe und mich dann wieder an einen Decoder trauen...
 
Zurück
Oben